Die wohl interessanteste Kategorie. Ihr habt Probleme mit Eurem Peugeot? Die Werkstatt weiss mal wieder nicht weiter? Das Handbuch gibt auch nichts mehr her? Na dann, stellt Eure Frage hier rein.
-
Georgy68
- STVO-Fan
- Beiträge: 7
- Registriert: Sa 25.09.10 18:11
- Postleitzahl: 66333
- Land: Deutschland
Beitrag
von Georgy68 » Sa 25.09.10 18:53
Hallo
ich habe ein Poltern an der Hinterachse an meinem 406 Break festgestellt.
Lokalisiert habe ich auch dann den Fehler an der Spurstange/Stabilisator.
Nun wollte ich dieses Teil austauchen
- Das Lösen der Rad-Seite war kein Problem
- An der Innenseite habe ich mir die Stellung der Schraube markiert und die Mutter auf der Gegenseite gelöst.
Nun zu meinem Problem.
ich bekomme die Schraube einfach nicht heraus.
sie lässt sich mit dem Schlüssel drehen, aber kommt mir kein Stück entgegen.
Auch der Stabi, der nun locker herunterhängt, ist auf er Mutter-Seite so frei, dass ich das Gewinde der Schraube sehen kann.
Allerdings auf der Schrauben-Kopf-Seite ist er irgendwie fixiert.
Hat jemand einen Tipp wie ich die Schraube herausbekomme???
Zuletzt geändert von
Georgy68 am So 26.09.10 11:48, insgesamt 1-mal geändert.
306 Cabrio, 2,0, Bj 1999
407 Limo, 20, BJ 2005
-
406 D
- Spätzünder
- Beiträge: 1664
- Registriert: Di 11.11.03 00:00
- Postleitzahl: 26632
- Land: Deutschland
- Wohnort: ihlow
Beitrag
von 406 D » Sa 25.09.10 19:12
moin,
durch drehen bekommst du sie nicht raus, da ist kein gewinde.
einfach mit dem hämmerchen drauf bis sie kommt.
andreas
-
Georgy68
- STVO-Fan
- Beiträge: 7
- Registriert: Sa 25.09.10 18:11
- Postleitzahl: 66333
- Land: Deutschland
Beitrag
von Georgy68 » Sa 25.09.10 19:44
ich habe schon einen mittleren Hammer benutzt und auch mit einem Hebel ordentlich gedrückt, da ich mir das schon dachte.
Aber der Hund will einfach nicht kommen. Dehalb habe ich vorsichtshalber mal hier gepostet.
Werde es dann morgen mal mit etwas mehr "nachDRUCK" probieren.
Zuletzt geändert von
Georgy68 am So 26.09.10 11:48, insgesamt 1-mal geändert.
306 Cabrio, 2,0, Bj 1999
407 Limo, 20, BJ 2005
-
406 D
- Spätzünder
- Beiträge: 1664
- Registriert: Di 11.11.03 00:00
- Postleitzahl: 26632
- Land: Deutschland
- Wohnort: ihlow
Beitrag
von 406 D » Sa 25.09.10 20:44
moin,
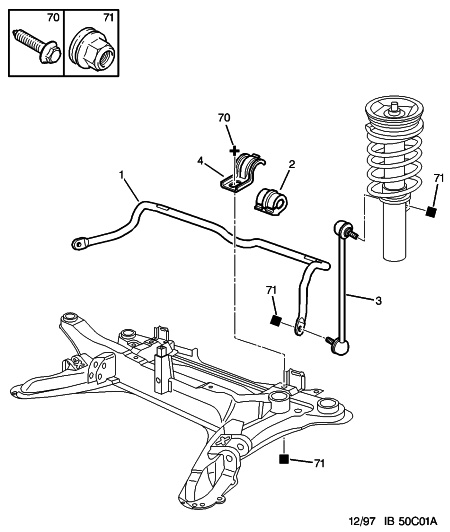
nochmal zur sicherheit, du meinst diese schraube:
im hintergrund siehst du etwas verschwommen eine scheibe, die muß an der mutterseite auch noch ab.
sollte eigentlich ganz einfach gehen wenn alles locker sitzt.
andreas
-
Georgy68
- STVO-Fan
- Beiträge: 7
- Registriert: Sa 25.09.10 18:11
- Postleitzahl: 66333
- Land: Deutschland
Beitrag
von Georgy68 » So 26.09.10 18:55
Nichts zu machen,
ich habe mal den Gummi von dem Teil entfernt und die Hülse durch die die Schraube geht freigelegt.
Sie liegt auf der Schrauben-Kopf Seite press an, sodass ich auch nicht darunter komme um sie mit einem Hebel etwas zu lösen.
Mir scheint, dass die Hülse eine dauerhafte Verbindung (240.000 km) mit der Schraube eingegangen ist, und mir nichts anderes übrig bleibt als die Schraube samt Hülse abzuflexen.
Jetzt muss ich mir erst mal eine Flex besorgen.
Jörg
306 Cabrio, 2,0, Bj 1999
407 Limo, 20, BJ 2005
-
406 D
- Spätzünder
- Beiträge: 1664
- Registriert: Di 11.11.03 00:00
- Postleitzahl: 26632
- Land: Deutschland
- Wohnort: ihlow
Beitrag
von 406 D » So 26.09.10 19:43
moin,
sorry, so ganz kann ich deinen ausführungen nicht folgen.
du hast die verbindung radseitig - also am achsschenkel - ohne probleme lösen können. eigentlich ist das der schwere teit und erfordert den einsatz von etwas gewalt.
weiter oben an der achse sollte es leicht zu lösen sein und auch die schraube geht recht einfach raus, grad wenn es unten schon lose ist.
frag mich nur wie du es unten rausbekommen hast wenn es oben noch fest ist, umgekehrt wäre mir plausibler.
und was für ein gummi an dem teil, die gummihülse ist ja am unterem ende.
mit der flex wäre ich mal vorsichtig, der kunststofftank ist nicht weit entfernt.
andreas
-
Georgy68
- STVO-Fan
- Beiträge: 7
- Registriert: Sa 25.09.10 18:11
- Postleitzahl: 66333
- Land: Deutschland
Beitrag
von Georgy68 » Mo 27.09.10 08:56
Hi
ich habe hier eine Anleitung von einem netten Franzosen für den Franzosen
Link:
http://www.coupe406.com/documents/Tutor ... rriere.pdf
Die Radseite geht ganz einfach raus wenn man den Achsschenkel anhebt (Auf der Skizze [1]) .
Und ich meinte die Gummis, die in dem 1. Bild Linksseitig verbaut sind.
Die Hülse die man dort innen sieht ist die, die sich mit der Schraube so verbunden hat.
Ich werde noch einen Versuch mit Erhitzen der Hülse/Schraube (Rostlöser ist schon genug drauf) starten und hoffe dass ich sie damit herausgeprügelt bekomme.
Wenn nicht, muss ich wohl die Flex bemühlen.
ich berichte weiter
Jörg
306 Cabrio, 2,0, Bj 1999
407 Limo, 20, BJ 2005
-
Georgy68
- STVO-Fan
- Beiträge: 7
- Registriert: Sa 25.09.10 18:11
- Postleitzahl: 66333
- Land: Deutschland
Beitrag
von Georgy68 » Mo 27.09.10 13:43
Geschafft,
Musste das Teil abflexen, Sogar auf dem Schraubstock danach ließen sich die Teile nicht von einander trennen.
Die andere Seite ging absolut problemlos in 20 Minuten.
Habe mir jetzt mal ne neue Schraube bestellt, ist morgen da und dann bin ich fertig.
Jetzt fange ich dann noch mit den vorderen StabiStangen an.
gibt es da was zu beachten.
Jörg
306 Cabrio, 2,0, Bj 1999
407 Limo, 20, BJ 2005
-
406 D
- Spätzünder
- Beiträge: 1664
- Registriert: Di 11.11.03 00:00
- Postleitzahl: 26632
- Land: Deutschland
- Wohnort: ihlow
Beitrag
von 406 D » Mo 27.09.10 19:04
moin,
vorne ist es im prinzip ja gleich, schau dir gleich mal die gummilager an, bei der gelegenheit würde sich ein tausch anbieten. auf dem bild nr. 2:
die kosten nicht die welt, pro stück 11,90 netto.
andreas