306 Benzingeruch

Die wohl interessanteste Kategorie. Ihr habt Probleme mit Eurem Peugeot? Die Werkstatt weiss mal wieder nicht weiter? Das Handbuch gibt auch nichts mehr her? Na dann, stellt Eure Frage hier rein.
Antworten
Atomics
Serien-Wagen-Fahrer
Beiträge: 4
Registriert: Di 26.06.12 19:41
Postleitzahl: 41236
Land: Deutschland

306 Benzingeruch

Beitrag von Atomics » Di 26.06.12 20:15

Holla ;)

erstmal hallo miteinander :)

hab ne frage zur verbindung zwichen dem tank einfüllstuzen und tank

bei mir ist das teil leider im a..... und nu sollte es getauscht werden

a. hat wer ne ahnung was das teil kostet ?
b. kann man das selber tauschen ? bzw ist das viel aufwand ??

so dann schonma danke :)

MFG

Benutzeravatar
Gentsai
...liebt Besen
Beiträge: 7136
Registriert: Mo 30.05.05 13:59
Postleitzahl: 30952
Land: Deutschland
Wohnort: Hannover
Kontaktdaten:

Re: 306 Benzingeruch

Beitrag von Gentsai » Di 26.06.12 20:29

Meinst du das Teil mit der Nummer 1/2?

Kostet normalerweise ca. 160€, ist neu bei Peugeot aber nicht mehr lieferbar.

Sag bescheid wenn du es auch gebraucht nehmen würdest, ich hab noch ein Auto stehen bei dem das sowieso ausgebaut wird ;)
hf15c01a.jpg
Liberté, Egalité, Accélérer!!

Atomics
Serien-Wagen-Fahrer
Beiträge: 4
Registriert: Di 26.06.12 19:41
Postleitzahl: 41236
Land: Deutschland

Re: 306 Benzingeruch

Beitrag von Atomics » Di 26.06.12 20:32

ja lol wie nicht mehr lieferbar ?? das ja krass

wie kommt man an das teil ran bzw was muss man alles ausbauen um ranzukommen ?!

wenn ichs von dir nehmen würde
wann könnte ich das haben ?

meiner ist übrigens von 2000 fals das ne rolle spielen sollte :D

MFG

Benutzeravatar
Gentsai
...liebt Besen
Beiträge: 7136
Registriert: Mo 30.05.05 13:59
Postleitzahl: 30952
Land: Deutschland
Wohnort: Hannover
Kontaktdaten:

Re: 306 Benzingeruch

Beitrag von Gentsai » Di 26.06.12 20:38

Da es in diesem Bereich sehr eng zugeht, ist es nicht einfach es auszubauen, wie es genau geht weiss ich leider nicht.

Das Teil das ich noch habe stammt aus einem Auto von 1994, eventuell ist das in deinem anders, wegen dem anderen Produktionsdatum oder einer höheren Schadstoffklasse :/
Liberté, Egalité, Accélérer!!

Atomics
Serien-Wagen-Fahrer
Beiträge: 4
Registriert: Di 26.06.12 19:41
Postleitzahl: 41236
Land: Deutschland

Re: 306 Benzingeruch

Beitrag von Atomics » Di 26.06.12 20:47

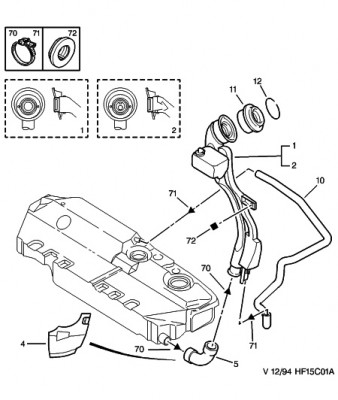
ja aber wenn ich das bild da sehe
scheint ja eine gummikurve unten dran zusein ...
hab ich leider nicht ganz sehen können
wenn das so ist
ist es wahrscheinlicher das die ne macke hat ?!
geau konnte ich das leck nicht lokalisieren .... hab gedacht das währe einteil was da vom tank nach oeben geht
wird mir wohl nix anderes über bleiben als mal das hinterrad ubd die radhausverkleidung ab zumachen
ich denke / hoffe das ich dann alles sehen kann ?!

MFG

Benutzeravatar
Gentsai
...liebt Besen
Beiträge: 7136
Registriert: Mo 30.05.05 13:59
Postleitzahl: 30952
Land: Deutschland
Wohnort: Hannover
Kontaktdaten:

Re: 306 Benzingeruch

Beitrag von Gentsai » Di 26.06.12 20:49

Dann ist die Wahrscheinlichkeit auf jeden Fall größer, dass du es siehst ;)
Liberté, Egalité, Accélérer!!

Atomics
Serien-Wagen-Fahrer
Beiträge: 4
Registriert: Di 26.06.12 19:41
Postleitzahl: 41236
Land: Deutschland

Re: 306 Benzingeruch

Beitrag von Atomics » Mi 27.06.12 12:51

keiner der den tank bzw den stuzen schonmal ausgebaut hat ???

Benutzeravatar
S16Freak
InPeugeotBettwäscheschläfer
Beiträge: 816
Registriert: Mi 26.07.06 16:16
Land: Deutschland
Wohnort: Am Bodensee

Re: 306 Benzingeruch

Beitrag von S16Freak » Mi 27.06.12 18:06

Ist es nun der Rüssel oder nicht? Wär ja blöd wenn den wechselst und es is nur der Winkel zum Tank! Erst lockalisieren, dann kannst weiter schauen!

So wird der Rüssel demontiert:
Wenn nur der Stutzen weg muss: Aufbocken, Rad ab, Schale weg, dann die Schelle vom Schlauch 70 abmachen. Dann sind da noch 2 dünnere Schläuche, die müssen auch ab. Dann oben wo du den Tankstutzen einführst musst du das Gummi quasi ums Blech nach außen zum Radhaus rausbekommen, ist eine ziehmliche fummelarbeit. Dann ist am Rüssel selber noch ne Schraube musst da ziehmlich weit ins Radhaus rein. Müsste dann nahc unten abnehmbar sein.
Das ganze würde ich bei (fast) leeren Tank machen und die Karre gut kippen damit die Garage nicht unter Wasser steht :lach:

Antworten