bin jetzt auch seit 1 Monat Löwen Fahrer.
Habe mir einen 406 BJ.95 1,8L wieder aufgebaut.
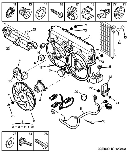
Habe aber immer noch ein Problem mit dem Motorlüfter. Dieser wurde von meinen Vorgänger restlos zerstört.
Angeblich hatte er einen Eisblock angefahren
Daraufhin war er in einer Freien Werkstatt die dann die ausgebrochenen Lüfter einfach mit Kabelbinder am Kühler befestigte.
Habe mir jetzt in der e-bucht einen gebr. Doppellüfter bestellt und eingebaut. Auch die def. Sicherungen habe ich getauscht.
Nun zu meinen Problem
Wenn ich die Zündung anmache, fangen erst beide Lüfter das laufen an (langsam). Nach kurzer Zeit schaltet der rechte Lüfter
(in Fahrtrichtung) ab. Dafür Läuft der linke voll an.
Schalte ich die Zündung dann wieder aus, laufen beide wieder langsam. Wie lange das gehenwürde weis ich noch nicht.
Ich denke es währe wohl eher die Batterie leer.
Start ich den Motor läuft der linke lüfter voll weiter und auch die STOP leuchte leuchtet weiter.
nach ca. 30 sek geht er dann aus und auch die STOP leuchte ist wieder weg.
Ich hoffe das mir von euch jemand helfen kann.
Danke schon im vorraus
Ich hoffe auf eine nette Zukunft bei euch im Forum.