Befestigung Lichtmaschine 106 60 PS ohne Spannrolle

Die wohl interessanteste Kategorie. Ihr habt Probleme mit Eurem Peugeot? Die Werkstatt weiss mal wieder nicht weiter? Das Handbuch gibt auch nichts mehr her? Na dann, stellt Eure Frage hier rein.
Benutzeravatar
Schmeedy Gonzales
NOS - Junky
Beiträge: 1174
Registriert: Di 16.11.04 09:17
Postleitzahl: 50672
Land: Deutschland
Wohnort: Köln

Befestigung Lichtmaschine 106 60 PS ohne Spannrolle

Beitrag von Schmeedy Gonzales » Mo 15.08.11 00:52

Hallo Forengemeinde,

ich eröffne mal ein neues Thema da ich über die Suche nichts gefunden habe.
Ich habe einen 106 baujahr 2001 mit 60 PS HFX Motörchen 3003 / 512.
Falls die FIN notwendig ist sende ich diese gerne zu.
Ich stehe vor einem Problem, mir sind leider die meisten Befestigungsteile für die Lichtmaschine verloren gegangen. Auf einem Schrottplatz habe ich mir von einem 106 mit 44 PS ein paar Teile abgeschraubt leider passen diese nicht.

Hat jemand eine Explosionszeichnung für mich bzw die Teilenummern? Ich habe eine Lichtmaschine ohne Spannrolle. Ander Lima selbst ist nur ein kleiner Stecker.

Es fehlt der Mechanismus zum Spannen und einige Schrauben. Leider habe ich im dunkeln kein Bild machen können.

Gibt es ein Befestigungskit? Wenn ja gibt es dies auch günstig im Zubehör? Ich werde morgen noch eine Schrottplatz aufsuchen in der Hoffnung mir die passenden Teile abschrauben zu können. Ist der Spannmechanismuß an der Lima selbt mit einer Mutter gesichert oder ist im Befestigungsloch an der Lima ein Gewinde. Ich wollte diese nicht ganz ausbauen.

Ich hoffe Ihr könnt mir helfen. Infos zu Bestellmöglichkeiten und Preisen nehme ich auch gerne von Händlern an. Ich benötige die Teile bis Spätestens Donnerstag abend.

Viele Grüße

SG
3rd Official Member KING MEILER Fanclub

Benutzeravatar
Cartman
Benzinsparer
Beiträge: 377
Registriert: Mo 20.11.06 14:27
Postleitzahl: 66346
Land: Deutschland
Wohnort: Püttlingen
Kontaktdaten:

Re: Befestigung Lichtmaschine 106 60 PS ohne Spannrolle

Beitrag von Cartman » Mo 15.08.11 09:06

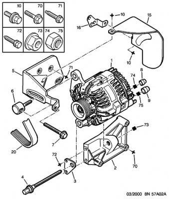
Aluminium-Motorblock ohne Klimaanlage:
8n57a02a.jpg
02 - 5706 C5 - HALT GENERATOR
03 - 5706 C7 - HALTELASCHE
04 - 6923 C5 - SCHRAUBE DIAM 10X150-90
05 - 5708 86 - SCHIENE
06 - 5703 29 - SCHRAUBE
07 - 5703 36 - SCHRAUBE
08 - 5733 74 - SCHUTZ DIAM 5
09 - 5733 75 - SCHUTZ DIAM EXT 22
10 - 0806 37 - SCHRAUBE F SCH DIAM 6X100-17
15 - 5733 A1 - SCHUTZ (ABGASNORM CEE2000)
16 - 5733 A2 - HALTELASCHE (ABGASNORM CEE2000)
20 - 5750 WV -RIEMEN K5 -LE 720
E117651 - RIEMEN GER ERP K5 725 - ALTER >= 5
70 - 1803 F4 - SCHRAUBE DIAM 8X125-50
71 - 6923 78 - SCHRAUBE DIAM 8X125-25
72 - 6922 H3 - SCHRAUBE DIAM 6X100-25
73 - 6936 C6 - MUTTER 8X125-9,7-22
74 - 6936 73 - STOP-MUTTER 5X80-5,4-8
75 - 6936 75 - STOP-MUTTER 8X125-8,8-13



Gruß Michael

Benutzeravatar
Schmeedy Gonzales
NOS - Junky
Beiträge: 1174
Registriert: Di 16.11.04 09:17
Postleitzahl: 50672
Land: Deutschland
Wohnort: Köln

Re: Befestigung Lichtmaschine 106 60 PS ohne Spannrolle

Beitrag von Schmeedy Gonzales » Mo 15.08.11 15:03

Hi,

Vielen Dank.

Hab jetzt mal bei Peugeot einige Teile bestellt. Der Mitarbeiter dort konnte mir nicht sagen ob an die Schraube 6 noch eine Mutter dran kommt, er meint die geht an den Block. Ich habe soweit ich das fühlen konnte kein Gewinde im Loch der Lima gefunden.
Ich möchte mir vorher noch die passende Mutter besorgen. Welches Gewinde hat die Schraube 6. Sollte ich eine selbstsichernde Mutter nehmen wenn es diese in der Größe gibt???


VIele Grüße

Hanno
3rd Official Member KING MEILER Fanclub

Benutzeravatar
Cartman
Benzinsparer
Beiträge: 377
Registriert: Mo 20.11.06 14:27
Postleitzahl: 66346
Land: Deutschland
Wohnort: Püttlingen
Kontaktdaten:

Re: Befestigung Lichtmaschine 106 60 PS ohne Spannrolle

Beitrag von Cartman » Mo 15.08.11 22:18

Ich behaupte mal, das Gewinde sollte normal M8 sein.

Fahr in den Baumarkt, kauf dir ne selbstsichernde Mutter + Karosseriescheibe in M8 und fertig. Lass das mal 50cent kosten. Und auf Nummer sicher zu gehen, legst dir das ganze noch in M6 und M10 in den Einkaufswagen.

Und im Schlimmsten Fall hast du den 1,50€ umsonst bzw fürs Lager ausgegeben.

Gruß Michael

Benutzeravatar
Schmeedy Gonzales
NOS - Junky
Beiträge: 1174
Registriert: Di 16.11.04 09:17
Postleitzahl: 50672
Land: Deutschland
Wohnort: Köln

Re: Befestigung Lichtmaschine 106 60 PS ohne Spannrolle

Beitrag von Schmeedy Gonzales » Di 16.08.11 19:17

Hi Michael,

so hab ich das jetzt gemacht und mich in ner Apotheke mit Muttern und UScheiben eingedeckt.

Viele Dank nochmal auch für die Zeichnung.

Grüße

Hanno
3rd Official Member KING MEILER Fanclub

Benutzeravatar
Schmeedy Gonzales
NOS - Junky
Beiträge: 1174
Registriert: Di 16.11.04 09:17
Postleitzahl: 50672
Land: Deutschland
Wohnort: Köln

Re: Befestigung Lichtmaschine 106 60 PS ohne Spannrolle

Beitrag von Schmeedy Gonzales » Fr 18.01.13 15:30

So da bin ich nochmal mit einem neuen Problem zur Lichtmaschine,

ich habe an meiner Valeo (Kopie) aber auch an der original Lima einen Anschluss mit 2Pins. Der Stecker löst sich immer mal wieder. Habe mit nem Kabelbinder dafür gesorgt das der Stecker hält. Trotzdem rutscht dieser manchmal ab. Wobei das nicht unbedingt das Problem sein muß.
Die Batterieluchte im Tacho flackert immer mal wieder, wenn ich die Drehzahl erhöhe geht sie meist aus.
Meine alte originale Lima habe ich nicht mehr da ich diese gegen eine Austausch Lima gewechselt habe.
Eine gebrauchte vermutlich defekte habe ich mir zum basteln besorgt.

Es gehen nur zwei ganz dünde Kabel an den Stecker. Masse holt sich die Lima vermutlich zum Motorblock. Ist das richtig das kein Kabel an den Anschluss B+ der Lima geht?
Dieser ist mit einer Gummikappe bestückt und beim Wechsel war auch kein Kabel dran.

Bei der kalten Jahreszeit ist es nicht schön liegen zu bleiben bzw. mich vor der Tür unters Auto zulegen.

Nun kommen weitere fragen:

Bei Peugeot sagte der Teilemensch den Stecker zur Lima gibt es nicht als Ersatz. Stimmt das?
Was macht Peugeot bei nem Marderbiss? Falls es ihn gibt bitte ich um Info wie Teilenummer oder Alternativen.

Kann es sein das auch nur ein defektes Massekabel (Batterie Karosse oder Getriebe Karrosse)zum flackern der Lima führt? Diese kann ich nur schlecht erkennen bzw. Welches nehme ich als Ersatz.

Kann ich eine ausgebaute Lima prüfen ohne sie erst einzubauen?

Wie ist die ist die korrekte Teilenummer für meine VALEO Lima? Neu und oder AT.
Kann ich einer stärkere einbauen. Welche zubehör Marke kann ich nehemen.
Ich weiß das Einige hier mit Valeo nicht zufrieden sind. Aber ich habe keine Ahnung wie ich auf Bosch umbauen kann. Da habe ich noch keiner mit diesem Anschluss gesehen.

Wie teste ich die eingebaute Lima. Ein Multimeter habe ich. Ich weiß nur einmal im Leerlauf und einmal bei 4000 U/min. Aber muß ich das Multimeter zwischen schalten oder nur an den Polen :-) der Batterie messen.

Elektik ist nicht mein Ding.


Ich hoffe Ihr könnt mir Antworten geben. Bitte nicht "Fahr Werkstatt".


Viele Grüße

Hanno
3rd Official Member KING MEILER Fanclub

Benutzeravatar
freeeak
Rettungswagenüberholer
Beiträge: 4496
Registriert: Fr 28.05.10 19:31
Postleitzahl: 72135
Land: Deutschland
Wohnort: Steinenbronn

Re: Befestigung Lichtmaschine 106 60 PS ohne Spannrolle

Beitrag von freeeak » Fr 18.01.13 22:57

Äähm...
An B+ muss n dickes rotes kabel dran.
Entweder direkt vom batteriepluspol oder vom starter+.

Sonst hast ja garkeine verbindung zur batterie-das kann so nicht funktionieren.

Die gunmikappe muss nachher auch wieder auf die schraube drauf weil da ungesichert + anliegt und das bei massekontakt ungut wäre.


Aber im interesse aller verkehrsteilnehmer-aus deinen fragen kann man deutlich rauslesen das elektrik wirklich nicht dein ding ist.gib das auto bitte in ne werkstatt oder lass jemanden drübergucken der was davon versteht...nicht böse gemeint-aber alles selbermachen wollen geht eigentlich immer daneben.
Schau beim schrauben ruhig zu,helf mit etc und lerne dabei.
Aber nur übers netz lernen wird nix.
Für grundlagen findest aber zb bei www.kfz-tech.de genug lesestoff.
Bist ungeschickt, hast linke Hände?

Läufst gegen Türen und auch Wände?

Kannst nicht schrauben und nicht lenken?
...
Hast auch Probleme mit dem Denken?

Kriegst nicht mal deine Schuhe zu?

Du bist ein Mann für A.T.U.

Benutzeravatar
Schmeedy Gonzales
NOS - Junky
Beiträge: 1174
Registriert: Di 16.11.04 09:17
Postleitzahl: 50672
Land: Deutschland
Wohnort: Köln

Re: Befestigung Lichtmaschine 106 60 PS ohne Spannrolle

Beitrag von Schmeedy Gonzales » Fr 18.01.13 23:30

Hallo freeeak,
vielen Dank für Deine Antwort.
Das ist es ja was mich wundert. Dann müßte ja irgendwo ein Kabel rumhängen. Tut es aber nicht. Ich hab wie geschrieben einen Stecker mit zwei dünnen Kabeln und das wars. Es scheint ja auch ohne B+ zu funktionieren. Die Lima hab ich vor zwei Jahren gewechselt.
Da war sonst nichts anderes. Das einzige was fehlt ist die Papp Alu Abdeckung die über der Lima montiert sein soll. Hat angeblich etwas mitm Umweltschutz zu tun.

Also ich will natürlich nichts kaputtschrauben, der Physikunterricht ist auch schon zulange her.
Die zweite gebrauchte Lima würde ich gerne testen, gibt es eine Möglichkeit ohne Einbau?

Und wo bekomme ich die Ersatzteile für die Lima. Ich hab schon Händler gefunden aber die Regler sehen alle anders aus.

Viele Grüße

Hanno
3rd Official Member KING MEILER Fanclub

Benutzeravatar
Rostigernagel
Spätzünder
Beiträge: 1648
Registriert: Sa 12.02.11 13:53
Postleitzahl: 09599
Land: Deutschland
Wohnort: Sachsen

Re: Befestigung Lichtmaschine 106 60 PS ohne Spannrolle

Beitrag von Rostigernagel » Sa 19.01.13 18:00

Nabend,
jup Du hast 2anschlüsse...einen fürs Plus zum laden(siehe"freeeak")und noch eins für die ladekontrolle.

Ne Lima sollte 13,5-14,5V liefern. gemessen wird eig. bei mittlerer drehzahl->so um die 3000rpm.

Ne ausgebaute messen :gruebel: ich habs noch nicht gemacht, aber ich wurd die lima in nen Schraubstock spannen, ne sechskant nuss (war glaub SW13) und dann mit ner Bohrmaschiene ans werk gehen.
Nen Akkuschrauber kannste knicken der dreht meist nur 1250rpm:daumenrunter: die normalen bohrmaschienen meist um die 3000rpm----->ideal. Also +u.- an den multimeter dran und heidewitzga.
.......Aaaaaber so würde ichs machen---->ob Du das so machst ist Dir überlassen.

Die Regler (fals nicht bekannt) sind unter der Plaste abdeckung und meist mit dem gummigelumpe (isolierung glaube)überzogen.

Die ladekontrolle leuchtet auch bei nem doofen kontackten der zuleitungen, aber auch wenn halt die lima kaum noch lädt (wars bei mir...da hatt die kontrolllampe immer leicht geglimmt)

Also denn, gutes gelingen :)
Mfg Rostiger

Benutzeravatar
CCandy
NOS - Junky
Beiträge: 1188
Registriert: Mi 24.08.11 00:09
Wohnort: 1° vorm Polarkreis

Re: Befestigung Lichtmaschine 106 60 PS ohne Spannrolle

Beitrag von CCandy » Sa 19.01.13 20:51

Rostigernagel hat geschrieben:Ne ausgebaute messen :gruebel: ich habs noch nicht gemacht, aber ich wurd die lima in nen Schraubstock spannen, ne sechskant nuss (war glaub SW13) und dann mit ner Bohrmaschiene ans werk gehen.
Nen Akkuschrauber kannste knicken der dreht meist nur 1250rpm:daumenrunter: die normalen bohrmaschienen meist um die 3000rpm----->ideal. Also +u.- an den multimeter dran und heidewitzga.
.......Aaaaaber so würde ichs machen---->ob Du das so machst ist Dir überlassen.
Ich fürchte, das wird nicht so einfach funktionieren. Im Vergleich zu z.B. einem Fahrraddynamo hat eine Lichtmaschine keine Permanentmagnete sondern das Magnetfeld wird durch einen Elektromagnet aufgebaut. Ohne Erregerspannung (über Ladekontrolllampe) gibts kein Magnetfeld und somit auch keine Stromerzeugung. Ausserdem brauchts eine Batterie zum Puffern, sonst kommt da bestenfalls nur irgendwas schwankendes raus, aber eben nichts sinnvoll messbares.
Meiner Meinung nach macht son offline-test wenig Sinn, bei dem Aufwand, den man dazu treiben müsste, kann man die Lima lieber direkt tauschen.

Antworten