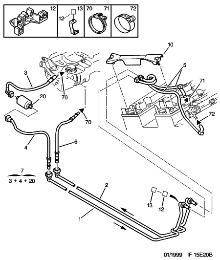
wollte mal sone Inspektion bei meinem 406 Coupe durchführen, habe auch soweit alle Filter gefunden, bis auf den Kraftstofffilter

Weiß einer wo der sitzt???
Daten:
406 Coupe
2.0 16V 136Ps
Bj.: 2001
Gruß
Sonntagsfahrer hat geschrieben:Nicht alle haben einen Externen Kraftstoffilter.
Bei einigen sitzt der im tank und hat kein Wartungsinterwall.