Ihr habt kein Problem mit eurem Peugeot? Habt aber trotzdem was zum Löwen zu sagen? Dann seid ihr hier genau richtig.
-
kampfschüssel
- Lenkradbeißer
- Beiträge: 290
- Registriert: So 07.05.06 21:01
- Postleitzahl: 21514
- Land: Deutschland
- Wohnort: Büchen
-
Kontaktdaten:
Beitrag
von kampfschüssel » Sa 23.01.10 14:59
Moin,
hab ein Problem gestern auf der bahn....
Flupp gang raus,geht nix mehr mit schalten.Ich raus geguckt.
Und jetzt kommst...
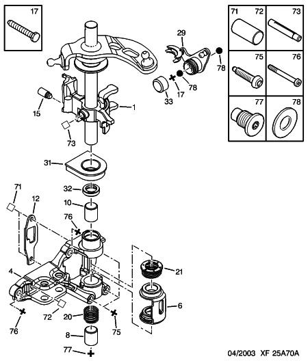
Also die 2 seile vom Schaltknauf werden ka im übertragenem sinne an eine schere angeklickt.
Hoffe man kann mir folgen.
Auf jedenfall ist der bolzen ind der mitte wo die beiden scheren seiten drauf gesteckt sind abgeschert.
Jetzt ist die frage wie weit geht das ding ins getriebe oder ist das vllt sogar eine Schraube die sich rausgewackelt hat bzw abgerissen ist????
Ich kann heute nichts mehr dran machen aber würde mich über jede antwort freuen.
Zur info es ist ein Schaltgetriebe vom 177 ps motor
8V RULZ
-
307sw
- Lenkradbeißer
- Beiträge: 202
- Registriert: Do 11.03.04 00:00
- Postleitzahl: 01239
- Land: Deutschland
- Wohnort: Dresden
Beitrag
von 307sw » Sa 23.01.10 15:19
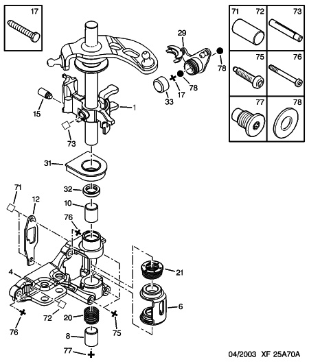
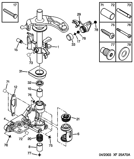
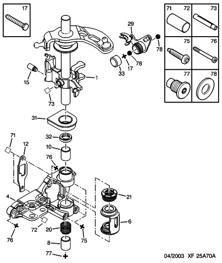
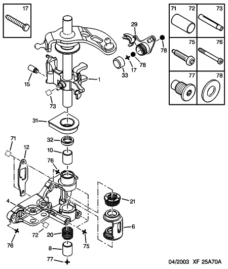
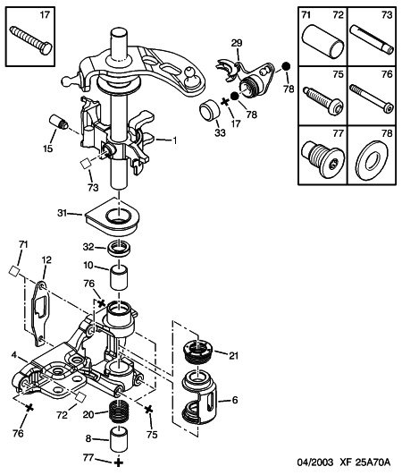
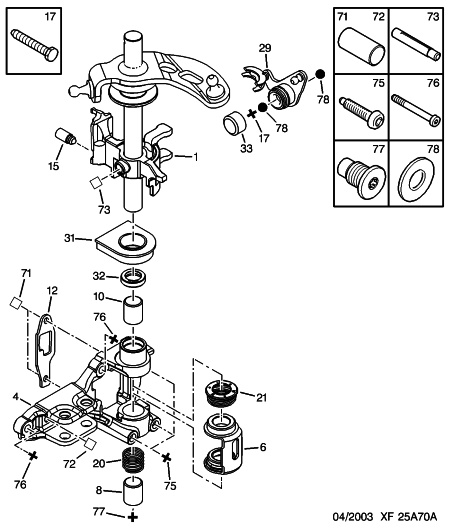
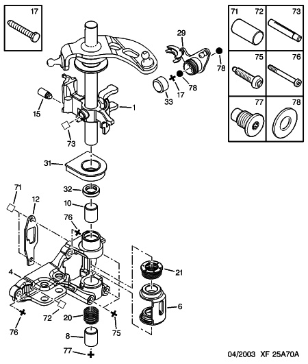
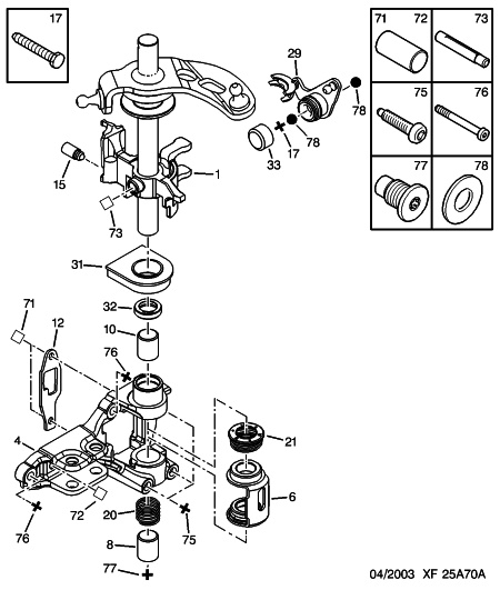
Ist es hier vielleicht dabei?

- 307cc.jpg (58.25 KiB) 2688 mal betrachtet
*edit*
Ihr müsst nach dem Upload eines Bilder noch "Im Beitrag anzeigen" anklicken, sonst klappt´s nicht.
Gruß, Strange
-
kampfschüssel
- Lenkradbeißer
- Beiträge: 290
- Registriert: So 07.05.06 21:01
- Postleitzahl: 21514
- Land: Deutschland
- Wohnort: Büchen
-
Kontaktdaten:
Beitrag
von kampfschüssel » Sa 23.01.10 15:25
kann nix sehen
8V RULZ
-
307sw
- Lenkradbeißer
- Beiträge: 202
- Registriert: Do 11.03.04 00:00
- Postleitzahl: 01239
- Land: Deutschland
- Wohnort: Dresden
Beitrag
von 307sw » Sa 23.01.10 15:33
habs grad bemerkt

- 307cc.jpg (58.25 KiB) 2686 mal betrachtet
-
kampfschüssel
- Lenkradbeißer
- Beiträge: 290
- Registriert: So 07.05.06 21:01
- Postleitzahl: 21514
- Land: Deutschland
- Wohnort: Büchen
-
Kontaktdaten:
Beitrag
von kampfschüssel » Sa 23.01.10 15:38
ja denke es ist die eins.
So eine ***Mist***. 130T kilometer gelaufen und dann schert dieser fucking stift ab.
8V RULZ
-
307sw
- Lenkradbeißer
- Beiträge: 202
- Registriert: Do 11.03.04 00:00
- Postleitzahl: 01239
- Land: Deutschland
- Wohnort: Dresden
Beitrag
von 307sw » Sa 23.01.10 15:42
wenns die eins ist dann schlecht das ist der Teil der im Getriebe alles schaltet.
-
kampfschüssel
- Lenkradbeißer
- Beiträge: 290
- Registriert: So 07.05.06 21:01
- Postleitzahl: 21514
- Land: Deutschland
- Wohnort: Büchen
-
Kontaktdaten:
Beitrag
von kampfschüssel » Sa 23.01.10 15:45
Ja genau geht auch nix mehr mit schalten.
Also getriebe raus udn zerlegen.man hat ja sonst nichts zu tun
8V RULZ
-
307sw
- Lenkradbeißer
- Beiträge: 202
- Registriert: Do 11.03.04 00:00
- Postleitzahl: 01239
- Land: Deutschland
- Wohnort: Dresden
Beitrag
von 307sw » Sa 23.01.10 16:26
ist doch ne feine Sache sowas zu zerlegen
-
kampfschüssel
- Lenkradbeißer
- Beiträge: 290
- Registriert: So 07.05.06 21:01
- Postleitzahl: 21514
- Land: Deutschland
- Wohnort: Büchen
-
Kontaktdaten:
Beitrag
von kampfschüssel » So 24.01.10 19:19
Na ja arbeite in ner Motoren und Getriebe instandsetzung und mach mich damit jetzt auch selbstständig.
Aber am Alltagsauto sowas auch noch zu machen nervt echt.
8V RULZ
-
307sw
- Lenkradbeißer
- Beiträge: 202
- Registriert: Do 11.03.04 00:00
- Postleitzahl: 01239
- Land: Deutschland
- Wohnort: Dresden
Beitrag
von 307sw » So 24.01.10 20:18
kenn das.
Arbeite in nem Autohaus in der werkstatt und schraube jeden tag an getrieben.wenns das eigene ist nervt das schon.
Aber man freut sich wenn das nachher wieder geht